Gezer Endustri - Turcia
Producători de produse realizate cu produse termoplastice (PE, PP, PVDF, ECTFE, FEB, PFA), suntem o companie lider în industrie cu o vechime de 40 de ani care se ocupă și de reprezentarea vânzărilor de produse finite și semifabricate aferente acestor produse. .
Oferim toate produsele termoplastice și producția pentru a fi utilizate supraterane și subterane pentru sectoarele de mediu, chimie și metal sub un singur acoperiș.
Cu forța noastră de muncă calificată, echipamente de ultimă generație și angajament puternic față de calitate, ne puteți contacta dacă sunteți în căutarea unui producător personalizat sau aveți nevoie de un furnizor de servicii de aplicare personalizată a plasticului.
https://www.gezerplastik.com.tr/en-US/grease-separators/oil-separators-en858
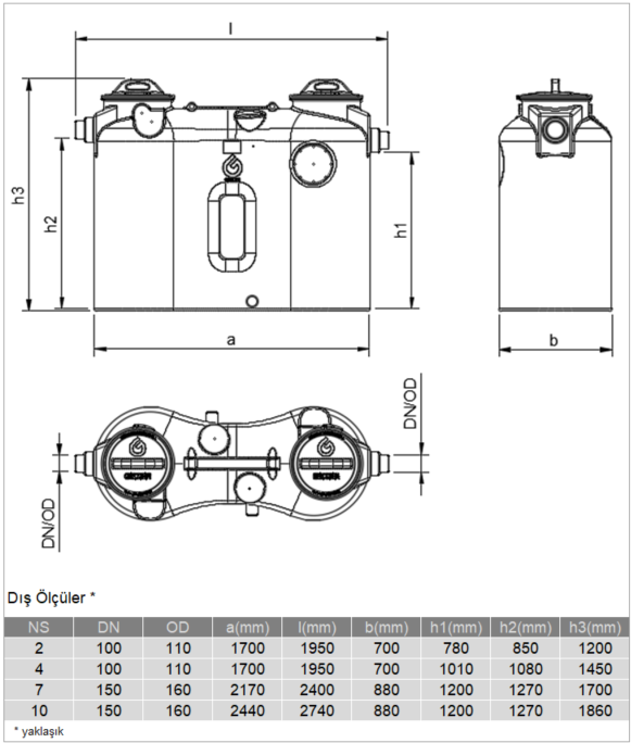
Separatoare de Grăsimi EN 1825
Separatoarele proiectate pentru sistemele de apă uzată sunt fabricate din polietilenă (HDPE) prin metoda de rotoformare, în conformitate cu standardul EN 1825-1 și sunt certificate TSE. Prezintă o structură potrivită pentru instalarea supraterană și reține materialele flotante și sedimentate. Dacă se dorește, poate fi conectat la aspirația vidanjorului cu flanșă DN 65/d75 sau cuplaj Storz B 75 fără a deschide capacul pentru o descărcare fără miros.
Separatoarele de grăsimi au o suprafață netedă, rezistentă la ulei și acizi, atât la interior, cât și la exterior, și nu conțin reziduuri la interior. Opțional, există un dispozitiv de alarmă pentru nivelul uleiului și o axă de eșantionare după produs.
Avantaje
- Corp solid din polietilenă (PEHD)
- Ușor și economic de asamblat
- Ușor de întreținut, rezistent la coroziune
- 100% etanș la miros
- Extrem de durabil, ușor
- Ecologic

Modelul de separator BASIC, cu capacele sale etanșe, este potrivit pentru utilizare în zone în care mirosurile neplăcute nu cauzează disconfort în timpul întreținerii. Capacul de acces va fi deschis pentru eliminarea (îndepărtarea) uleiului acumulat și a particulelor solide cu ajutorul unei vidanje.

Modelul de separator ADVANCED asigură funcționarea fără miros, fără necesitatea de a deschide capacul. Stratul de ulei acumulat poate fi vizibil prin fereastra de observație. După atingerea nivelului maxim de ulei, contaminanții acumulați sunt eliminați printr-o țeavă de aspirație cu un aspirator. După eliminarea completă, separatorul de ulei este umplut cu apă curată prin deschiderea supapei cu bilă manuale.

Modelul de separtor de gasimi MIX este echipat cu o alarmă de nivel al uleiului care indică atunci când s-a atins nivelul maxim al uleiului acumulat. Înainte de descărcare, mixerul este acționat pentru a amesteca straturile de ulei, apă și solide, facilitând eliminarea contaminanților din rezervorul separatorului de grăsimi. Țeava de aspirație este disponibilă pentru descărcarea cu ajutorul vidanjei. După eliminarea completă, separatorul de ulei este umplut cu apă curată prin deschiderea supapei cu bilă manuale.

Ultimul model, AUTO, este separatorul de grasimi care include o pompă de evacuare și este dotat cu un sistem informatic (soft) de evacuare automata. Când se atinge nivelul maxim de grăsime acumulată, alarma de grăsime inițiază modul de evacuare automată. În primul rând, se pornește mixerul pentru a amesteca straturile de ulei, apă și solide. Apoi, se pornește pompa de evacuare pentru a descărca separatorul de grăsimi. După golirea completă a separatorului de grăsimi, interiorul separatorului este clătit cu pompa de evacuare folosind apă curată umplută prin unitatea de umplere. După clătire, separatorul de grăsimi este umplut complet cu apă curată.
